99热在线观看,女沟厕偷窥piss小便,男女交性视频无遮挡全过程,亚洲乱码精品久久久久..

0577-67988558

羅浮閥門集團浙江西高泵閥有限公司

濟寧YFA-A型安全閥性能測試臺

產品參數

安全閥性能測試臺結構特點

安全閥性能測試臺省去了原傳統的大竄容積的高壓畜氣罐,只需配備普通的0.6MPa空壓氣泵氣源。經過安全閥性能測試臺會自動進行調節0.6-32.0MPa氣體介質試驗壓力。適用于公稱通徑DN15~DN300的安全閥的整定、啟閉、回座壓力和密封動作等性能測試。具有性能穩定,使用方便,自動化程度高檢測數據正確等特點。

安全閥性能測試臺使用方法及操作程序

    一、壓緊:點動按鈕(徑向外退),選擇和安全閥適應的密封盤,放置在工作臺中心位置,將被測試安全閥放置在密封盤上。按點動按鈕(徑向內進)將壓爪移動在安全閥法蘭所需位置,再按按鈕(軸向壓緊)。

    二、增壓:按照《夾緊油缸所需壓力對照表》中公稱通徑(DN),公稱壓力PN增壓。按動按鈕(軸向增壓)同時調節軸向增壓調節閥將增壓壓力升到表中所需壓力既可,(注:增壓按鈕可以多次點動,每次間隔時間若5—10秒鐘左右)。

    三、氣源升壓:液壓夾緊,增壓一切完畢后。打開針形安全閥氣源總開關(工作進氣)再開鈕子開關(自動、手控)在自動進行氣源升壓狀態時選定壓力表,高壓和低壓,如果是高壓、關閉低壓壓力表開關,調節好電接點壓力表的適應壓力,和f氣源增壓調節閥)。

    四、檢查安全閥的密封性能:被試安全閥進口壓力升高時,當壓力達到整定壓力的90%以后,升壓速度應不超過O.01MPa,觀察并記錄被試安全閥的整定壓力。然后降低安全閥進口壓力,使被試安全閥重新回到密閉狀態。調節安全閥進口壓力并使之保持在密封試驗壓力。

    五、氣源的泄壓:當測試安全閥試驗完畢時,并掉(自動、手控)開關、關閉(氣源總開關),打開泄壓針形閥工作泄壓、到沒有壓力時可將工件放松。


四、安全閥性能測試臺外觀圖

安全閥性能測試臺外觀圖


六、安全閥性能測試臺液壓原理圖


安全閥性能測試臺液壓原理圖


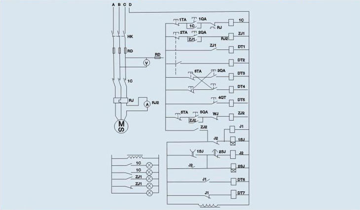
七、安全閥性能測試臺電器系統原理圖


安全閥性能測試臺電器系統原理圖


八、安全閥性能測試臺氣壓系統原理圖


安全閥性能測試臺氣壓系統原理圖

相關標簽: 安全閥性能測試臺

移動端網站